Właz 500L 304

Właz 500L 304

1,00 zł
Brutto
Ilość
Ostatnie sztuki w magazynie

Właz 500L 304

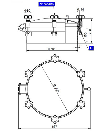
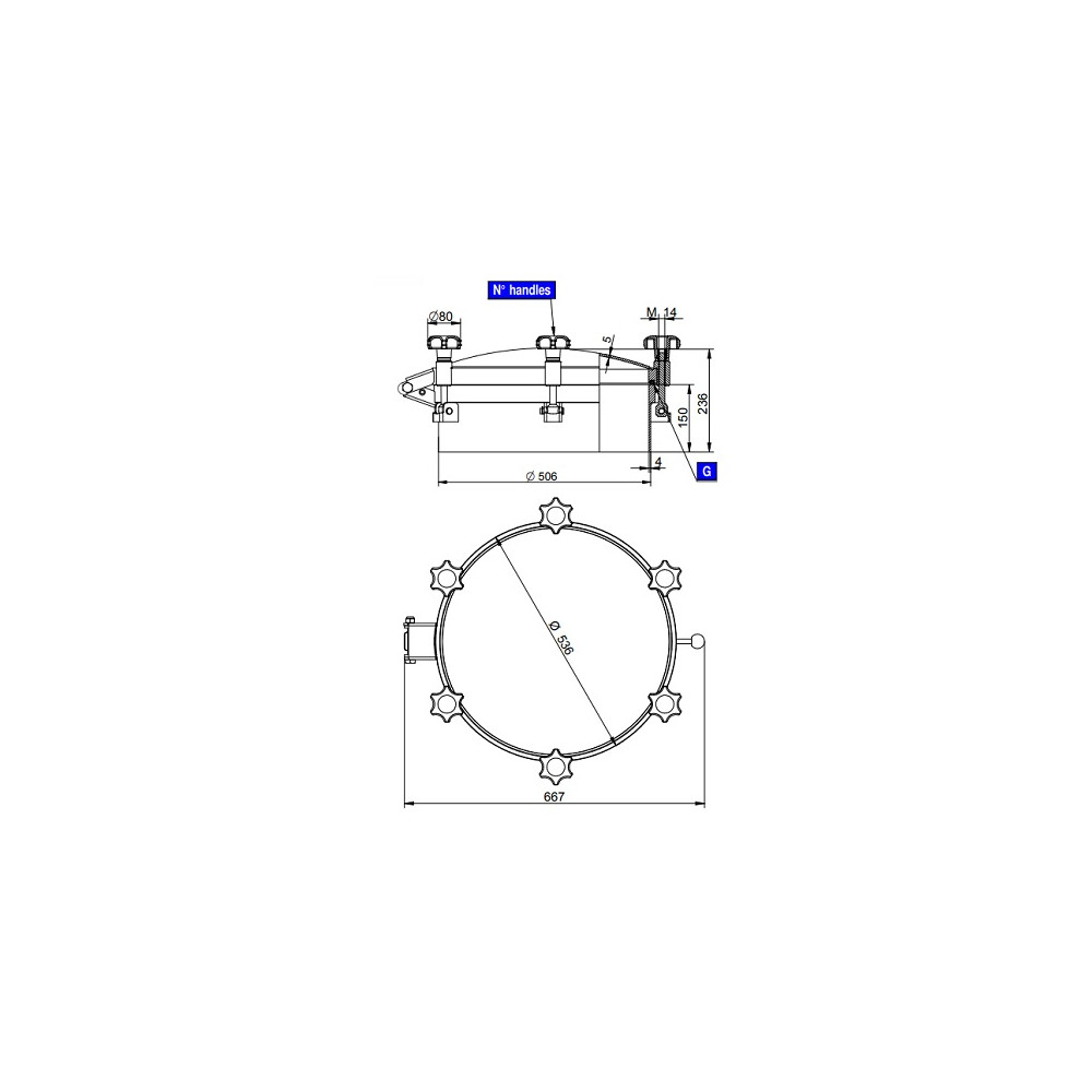
Właz ciśnieniowy Zorzini 500L

Średnica zewnętrzna szyjki: 506mm

Tolerancja ISO2768 cL: ±2.0mm

Mat. części zwilżane: 1.4307

Ciśnienie robocze: -1/+1 bar

Wysokość szyjki spawalniczej: 150mm

Grubość szyjki spawalniczej: 4,0mm

Grubość pokrywy: 5,0mm

6x Plastikowe pokrętło MEC/80

Uszczelka: EPDM (FDA)

Typ uszczelki: G/500P

Wykończenie szyjki: Ra<0,8µm

Wykończenie pokrywy: Elektropolerowane Ra<0,8µm

Kod projektowy: EN13445-3

9402.500L
0 szt.

Opis

A
506
D
5
B
150
C
4
E
-1/+1 bar
Material
1.4307
Diameter
DN500
Brand
Zorzini
Type
500L
Height
150

Brak recenzji użytkowników.

expand_less